Режим работы
пн-пт 9 - 18
Каталог
Новости
Специальные цены
06.07.2015
Поступило в продажу новое оборудование
03.04.2015

На сайт добавлен каталог Camozzi в электронном виде

24.06.2013

8P0504 Серия SPLIT-BODY. Шаровой кран с пневоприводом из углеродистой стали. Фланцевый. Пожарозащищенный, антистатическое исполнение. Двухсоставной.

8P0504 Серия SPLIT-BODY. Шаровой кран с пневоприводом из углеродистой стали. Фланцевый. Пожарозащищенный, антистатическое исполнение. Двухсоставной.

Давление: 16 - 40 Бар
Температура среды: от - 20°С до + 160°С
Присоединительный размер: 1/2" - 4"
DN: 15 - 100мм
Материал корпуса: углеродистая сталь
Материал уплотнения: PTFE (тефлон)
Тип присоединения: фланец
Тип управления: с пневмоприводом


арт. 8P0504 – сталь, привод тип DA арт. 8P0508 – фланец ANSI150, сталь, привод тип DA
арт. 8P0505 – сталь, привод тип SR
арт. 8P0509 – фланец ANSI150, сталь, привод тип SR

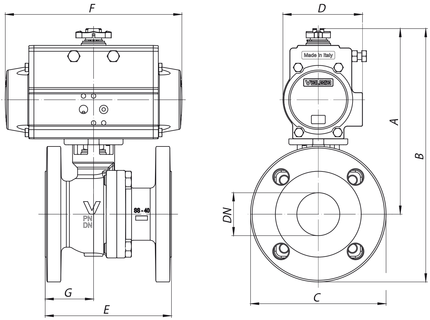
Общие характеристики Фланцевый, полнопроходной, пожарозащищенный, антистатическое исполнение, двухсоставной
Размеры присоединения 1/2”, 3/4”, 1”, 1¼”, 1½”, 2”, 2½”, 3”, 4”
Тип присоединения Фланец PN16, EN558 basic series 27
Условный проход, DN 15мм, 20мм, 25мм, 40мм, 50мм, 65мм, 80мм, 100мм
Рабочая температура От -10°С до +160°С
Рабочее давление, PN 16/40 бар, в зависимости от DN, см. таблицу
Давление управления min. 6 бар
Тип арматуры Серия SPLIT-BODY арт. 765001




Пневмопривод DA двухстороннего действия
DN 25 32 40 50 65 80 100
PN 40 40 40 40 16 16 16
A 163 173 193 221 256 265 292
B 217 243 268 303 349 365 402
C 115 140 150 165 185 200 220
D 71 71 81 95 106 106 123
E 125 130 140 150 170 180 190
F 141 141 164 210 241 241 275
G 53 55 52 58 63 76 80
DA 52 52 63 75 85 85 100
Пневмопривод SR с возвратными пружинами
DN 25 32 40 50 65 80 100
PN 40 40 40 40 16 16 16
A 171 184 225 247 303 325 339
B 229 254 300 330 396 425 449
C 115 140 150 165 185 200 220
D 81 81 106 123 137 148 148
E 125 130 140 150 170 180 190
F 164 164 241 275 333 372 372
G 53 55 52 58 63 76 80
SR 63 63 85 100 115 125 125

 

Отправить запрос с сайта
Отправить запрос
Имя
E-Mail
Сообщение
Производители

Наверх

Используя данный сайт, вы даете согласие на использование файлов cookie, помогающих нам сделать его удобнее для вас