|
Если вы не дозвонились до нас или не можете сделать звонок по каким-то причинам, оставьте свой телефон и мы перезвоним в удобное для Вас время. |
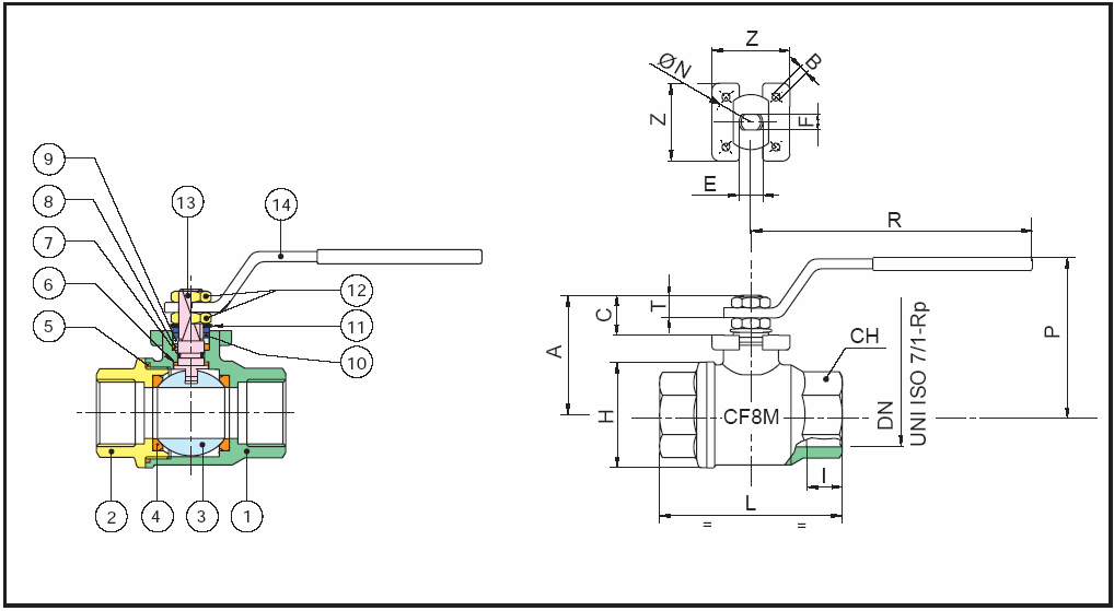
Давление: 25 - 140 Бар
Температура среды: от - 20°С до + 160°С
Присоединительный размер: 1/8" - 4"
DN: 6 - 100мм
Материал корпуса: нержавеющая сталь AISI 316
Материал уплотнения: PTFE (тефлон)
Тип присоединения: резьба
aрт. 700000 – управление ручкой
aрт. 700001 – резьба NPT B.1.20.1
aрт. 700002 – уплотнение шара PTFE+15% стекловолокно
aрт. 700004 – управление ручка - “бабочка” нерж/сталь 1/8”-1/2”
aрт. 700014 – уплотнение оси PTFE, EPDM
aрт. 700016 – исполнение для кислорода (OXY)
aрт. 700017 – резьба NPT B.1.20.1, ручка -“бабочка”
aрт. 700061 – ATEX, пожарозащищенное, антистатическое исполнение
|
Общие характеристики |
Полнопроходной, двухходовой |
|
Размеры присоединения |
1/8”, 1/4”, 3/8”, 1/2”, 3/4”, 1”, 1¼”, 1½”, 2”, 2½”, 3”, 4” |
|
Тип присоединения |
Муфтовый, внутренняя резьба ISO 7/1 – UNI EN 10226/1-Rp, ГОСТ 6211-81 |
|
Условный проход, DN |
6мм, 8мм, 10мм, 15мм, 20мм, 25мм, 40мм, 50мм, 65мм, 80мм, 100мм |
|
Рабочая температура |
От -20°Сдо +160°С |
|
Рабочее давление, PN |
25-64-105-140 бар, в зависимости от DN, см. таблицу |
|
Вакуум |
До 10-3Torr(mbar) |
|
Привод |
Площадка с отверстиями для скобы ISO 5211 |

Используя данный сайт, вы даете согласие на использование файлов cookie, помогающих нам сделать его удобнее для вас