|
Если вы не дозвонились до нас или не можете сделать звонок по каким-то причинам, оставьте свой телефон и мы перезвоним в удобное для Вас время. |
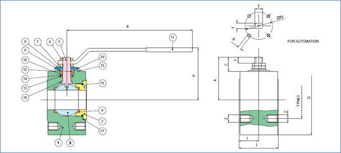
Давление: - 40 Бар
Температура среды: от - 20°С до + 160°С
Присоединительный размер: 1/2" - 8"
DN: 15 - 200мм
Материал корпуса: углеродистая сталь
Материал уплотнения: PTFE + стекловолокно
Тип присоединения: фланец
720650–фланец PN63, корпус сталь
|
Общие характеристики |
Полнопроходной, антистатическое исполнение, морозоустойчивая сталь |
|
Размеры присоединения |
1/2”, 3/4”, 1”, 1¼”, 1½”, 2”, 2½”, 3”, 4” |
|
Тип присоединения |
Фланцевое PN63. UNI 2223 и 2229 PN40 DIN 2501 BL1 |
|
Условный проход, DN |
15мм, 20мм, 25мм, 32мм, 40мм, 50мм, 65мм, 80мм, 100мм |
|
Рабочая температура |
От -40°Сдо +160°С |
|
Рабочее давление, PN |
Макс 63 бар |
|
Вакуум |
10-3Torr |
|
Привод |
Крепежные отверстия для скобы ISO 5211 |

Используя данный сайт, вы даете согласие на использование файлов cookie, помогающих нам сделать его удобнее для вас